MAX-SSB - Modular homebrew SSB HF transceiver
(MAX = [M]odular [A]mateur radio e[X]perimental)
Update: 2026-01-31
Changes since last update see: Change Log
Below are the details of a homebrew HF SSB transceiver I'm scratch-building I call the MAX-SSB. So far I've completed the documentation and software for the Front Panel controller, and have completed construction and testing of the following RF modules:Completed and Tested Modules:
- Module # 110 - Front panel Mega2560
- Module # 111 - Front panel NANO
- Module # 120 - VFO / BFO Oscillator (Si5351)
- Module # 140 - Two Tone Audio Generator
- Module # 150 - Audio Amp
- Module # 180 - Product Detector / Balanced Modulator (2024-06-04)
- Module # 190 - IF Amp B
- Module # 200 - Crystal Filter (2024-06-12)
- Module # 210 - IF Amp A
- Module # 220 - Mixer
- Module # 230 - RX Amp (Variable Gain)
The MAX-SSB is a multi band homebrew HF SSB transceiver (based on Ashhar Farhan's [VU2ESE] BITX design) comprised of a collection of standardized modules. Note: This article describes a rig that I'm creating for my own personal use. The RF hardware designs were copied from the work of other amateur radio homebrewers and provide reasonable performance (to my ear). The software, with the exception of libraries and where identified in the source code, is my original work. This is not a kit or an exhaustive step-by-step how-to project and I cannot provide direct support; however, if you're a moderately skilled homebrewer and have some Arduino experience you should be able to successfully reproduce this rig. I have attempted to only use low cost through-hole components which are easily obtainable today (2024), and I've provided links to where I purchased my components as a convenience only and not as part of any paid promotion. ~ Rick N3FJZ
Above: The MAX-SSB's front panel on breadboard. An Arduino Mega2560 type controller drives the Si5351 and color display with GPS
module providing the 1-PPS gate to the built-in frequency counter and real time clock with UTC and local time.
- Modular open RF design. Makes building, troubleshooting and understanding the MAX-SSB's RF design easer. You can build and test each module as you go, and because the interconnection between modules is the standard 50 Ohms, you can mix and match modules that you build with existing and/or commercially available modules, or you can just build the front panel module only and use it to drive your existing BITX or similar design rig that uses the Si5351 as VFO/BFO; e.g. simply connect the SCL and SDA lines of the MAX-Front-Panel module to your existing Si5351 module, or add a Si5351 module to your rig and connect its outputs to your mixer and product-detector/balanced-modulator. As a matter of fact, you could possibly drive older commercial rigs with the proper buffering between the Si5351 and the commercial rig's hardware.
- BITX based design. While the BITX design is not especially exotic, it has a good track record of being successfully reproduced by thousands of hams worldwide using low-cost easily available components.
- Through-hole low cost currently available components used in the design.
- Arduino Mega2560 type controller.
- Color display - 320 X 240 ILI9341 SPI.
- Si5351 PLL - provides VFO, BFO and 10MHz calibration reference.
- I.F. frequency set, real-time, via user interface. No need to recompile code when selecting or changing the crystal filter's center frequency. Great for experimentation with crystal filters of various frequencies; simply drop-in your new crystal filter and "dial-in" the crystal's center frequency via the user interface while you listen to the results real-time, the front panel software takes care of all the math for setting VFO, BFO based on the I.F. frequency selected and the dial frequency.
- Si5351's RF output levels adjustable, real-time, via the user interface.
- High-Side / Low-Side L.O. injection mode selectable, real-time, via user interface. This feature is useful in eliminating or reducing birdies and images for some I.F. / dial frequency combinations.
- Frequency counter with atomic-clock accuracy (by way of the GPS linked 1-PPS timebase) built-in. This frequency counter is integrated within the front panel and is used to check and set the Si5351's main oscillator calibration. Also, with the proper front-end buffering, this frequency counter could be adapted to measure external oscillators up to 70MHz. This frequency counter is based on the work of Scott W Harden
- Realtime GPS linked clock with local and UTC time. 12/24 hr format, time-zone offset, DST/STD all selectable via the user interface.
- Built-in Stockton bridge driving forward and reflected power meters with SWR indication and user configurable alarm and shutdown protection.
- PA final transistor temperature with user configurable monitoring and shutdown protection.
- Power supply (i.e.Battery) voltage indicator.
- Programmable transmitter lockout based on operator's license class. Integrated screen icons indicate the U.S. FCC Amateur license class needed to transmit phone on the currently displayed dial frequency. This lockout can be turned off to allow TX on non-phone frequencies; e.g. CW and digital modes.
- User configuration settings can be stored to non-volatile EEPROM memory to preserve them between power ups.
- 10 watt P.A., continuously variable between 0 and 10 watts.
- Front panel supports the math (i.e. calculates VFO/BFO) for dial frequencies between 10kHz and 99.999999 MHz (actual coverage depends on the RF deck's capabilities and limitations).
Credits: The MAX-SSB's design is based on my earlier homebrew rigs, which themselves were based on many of the homebrew designs I've seen on the web. Just as it was for my earlier rigs, Ashhar Farhan's (VU2ESE) Bitx20 provided the starting point for the RF hardware, with Pete Juliano's (N6QW) Let's Build Something rig providing the starting point for the Arduino VFO/BFO code and Wes Hayward's (W7ZOI) and Bob Kopski's (K3NHI) white paper entitled 'A Termination Insensitive Amplifier for Bidirectional Transceivers' providing the basis for the MAX-Project's IF amplifiers. Other sources of inspiration and guidance have come from many websites and YouTube channels featuring the works of Peter Parker (VK3YE), Marco (F8VOA), Dan Tayloe (N7VE), Jim Kortge (K8IQY), Arv Evans (K7HKL), and of course Bill (N2CQR), whose SolderSmoke podcast and blog have provided priceless information and the all-essential encouragement to build.
Please note that the MAX-SSB is a work in progress and still evolving, and the information below is being provided AS-IS and as a platform to share my work for the advancement of the Radio Art. If you use the information provided here, you do so at your own risk and must determine if you have the proper skills to do so safely.
Drawings and text may be freely copied and reproduced for non-commercial personal and club use.
Block Diagram
Left-Click image to enlarge (Use browser's Back button to return). Right-Click and select 'Save Image As...' to download
The block diagram shows all the modules needed to build the MAX-SSB transceiver.
Module# 100
Power Manager
Left-Click image to enlarge (Use browser's Back button to return). Right-Click and select 'Save Image As...' to download
The Power Management circuit distributes power
Module# 110
Front Panel (i.e. Microcontroller and User Interface)
Left-Click image to enlarge (Use browser's Back button to return). Right-Click and select 'Save Image As...' to download
YouTube Video: First Power Up
YouTube Video: Quick Start Guide
The Front Panel (i.e. Microcontroller and User Interface)
Module# 120
VFO / BFO Oscillator
Left-Click image to enlarge (Use browser's Back button to return). Right-Click and select 'Save Image As...' to download
YouTube Video
Module# 130
Mic Amp
Left-Click image to enlarge (Use browser's Back button to return). Right-Click and select 'Save Image As...' to download
Coming Soon
Module# 140
Two Tone Audio Generator
Left-Click image to enlarge (Use browser's Back button to return). Right-Click and select 'Save Image As...' to download
Module# 150
Audio Amp
Left-Click image to enlarge (Use browser's Back button to return). Right-Click and select 'Save Image As...' to download
YouTube Video: Construction complete / Setting crossover bias
Module# 160
S-Meter
Left-Click image to enlarge (Use browser's Back button to return). Right-Click and select 'Save Image As...' to download
Coming Soon
Module# 170
AGC
Left-Click image to enlarge (Use browser's Back button to return). Right-Click and select 'Save Image As...' to download
Coming Soon
Module# 180
Product Detector / Balanced Modulator
Left-Click image to enlarge (Use browser's Back button to return). Right-Click and select 'Save Image As...' to download
YouTube Video
Product Detector / Balanced Modulator.
Module# 190
IF Amp B
Left-Click image to enlarge (Use browser's Back button to return). Right-Click and select 'Save Image As...' to download
IF Amp B. An I.F. amplifier based on Wes Hayward's (W7ZOI) and Bob Kopski's (K3NHI) white paper entitled:
'A Termination Insensitive Amplifier for Bidirectional Transceivers'
Module# 200
Crystal Filter
Left-Click image to enlarge (Use browser's Back button to return). Right-Click and select 'Save Image As...' to download
YouTube Video
Sources for crystal Filters.
A complete matched set of crystals and capacitors for 9MHz (2.4kHz BW) available from:
INRAD (International Radio)
8-Pole QER Crystal Filter kit or fully assembled: Mostly DYI
Crystal Filter boards: AliExpress
Module# 210
IF Amp A
Left-Click image to enlarge (Use browser's Back button to return). Right-Click and select 'Save Image As...' to download
EasyEDA (.epro) file for Max-SSB Module # 210 IF Amp A Download here:
EasyEDA (.epri) file for Max-SSB Module # 210 IF Amp A Download here:
IF Amp A. An I.F. amplifier based on Wes Hayward's (W7ZOI) and Bob Kopski's (K3NHI) white paper entitled:
'A Termination Insensitive Amplifier for Bidirectional Transceivers'
Module# 220
Mixer
Left-Click image to enlarge (Use browser's Back button to return). Right-Click and select 'Save Image As...' to download
YouTube Video
Module# 230
RX Amp (Variable Gain)
Left-Click image to enlarge (Use browser's Back button to return). Right-Click and select 'Save Image As...' to download
YouTube Video
RX Amp. A variable gain I.F. amplifier based on Wes Hayward's (W7ZOI) white paper entitled:
'Adding AGC to a Termination Insensitive Amplifier'
Module# 240
TX Amp (Variable Gain)
Left-Click image to enlarge (Use browser's Back button to return). Right-Click and select 'Save Image As...' to download
RX Amp. A variable gain I.F. amplifier based on Wes Hayward's (W7ZOI) white paper entitled:
'Adding AGC to a Termination Insensitive Amplifier'
Module# 250
Band Pass Filters
Left-Click image to enlarge (Use browser's Back button to return). Right-Click and select 'Save Image As...' to download
Coming Soon
This is a preview of the Band Pass Filter module. I have not built this filter yet but have simulated it in LTspice. Once it is built and tested I will post photos of the finished module and a YouTube video of it in operation.
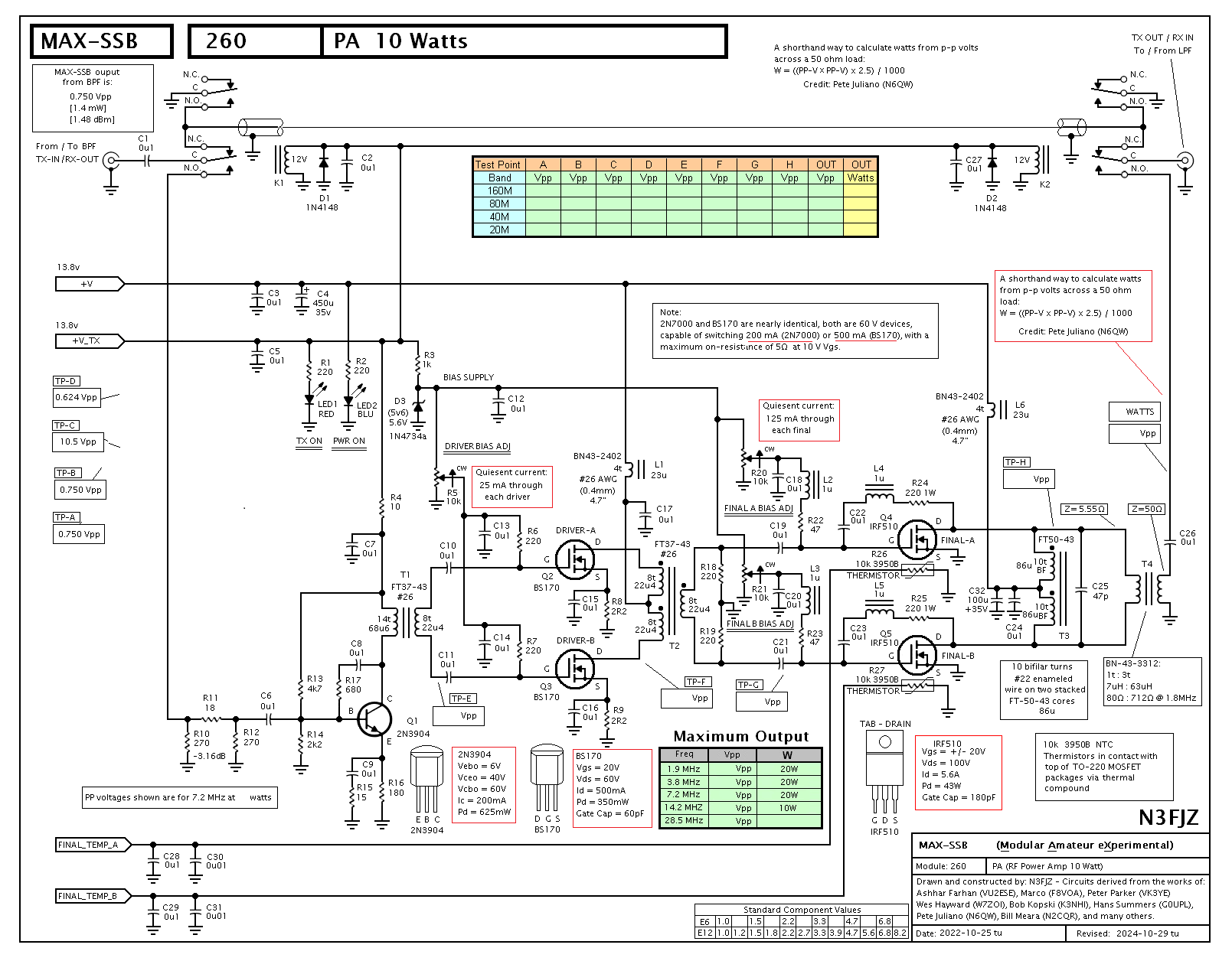
Module# 260
PA
Left-Click image to enlarge (Use browser's Back button to return). Right-Click and select 'Save Image As...' to download
Coming Soon
This is a preview of the 10W Power Amplifier module. I have not built this amp yet but have simulated it in LTspice. Once it is built and tested I will post photos of the finished module and a YouTube video of it in operation.
Module# 270
Low Pass Filters
Left-Click image to enlarge (Use browser's Back button to return). Right-Click and select 'Save Image As...' to download
Coming Soon
This is a preview of the Low Pass Filter module. I have not built this filter yet but have simulated it in LTspice. Once it is built and tested I will post photos of the finished module and a YouTube video of it in operation.
'Second-Harmonic-OptimizedLow-Pass Filters'
Module# 280
RF Power Detector
Left-Click image to enlarge (Use browser's Back button to return). Right-Click and select 'Save Image As...' to download
Coming Soon
• [Video] - YouTube video on the construction of the RF Power Detector module #240
Click the following links to learn more about the Stockton Bridge (tandem match) and SWR:
• The tandem match - a closer look - By Iacopo Giangrandi (HB9DUL)
• How a Directional Coupler in an SWR meter works - Alan Wolke's (W2AEW) excellent video #196
• SWR Demystified - David Casler (KE0OG) Ask Dave Episode #28
• How To Build An SWR / Relative Power Bridge - Part 1 - Randy's (K7AGE) Pineboard SWR Meter
• How To Build An SWR / Relative Power Bridge - Part 2 - Randy's (K7AGE) Pineboard SWR Meter
• How To Build An SWR / Relative Power Bridge - Part 3 - Randy's (K7AGE) Pineboard SWR Meter
Change Log
Below are all the changes that have been made since the last update: Most recent at top
- 2026-01-29 - Added link to the EasyEDA PCB file for the IF Amp A Module# 210 module #210.
- 2026-01-06 - Added link to the MAX-SSB-NANO Front Panel module #111.
-
2025-06-26 - Relocated the TUNE mode relay driver transistors off of the Product Detector / Balanced Modulator module #180
and onto the Front Panel module #110 . - 2025-06-26 - Updated schematic and layout for module #100 Power Manager.
- 2024-11-19 - Added attribution to Jim Tonne (WB6LD) on module #270 schematic.
- 2024-11-05 - Added schematic and layout for module #270 Low Pass filter.
- 2024-11-03 - Added schematic and layout for module #250 Band Pass filter.
- 2024-10-29 - Added schematic and layout for module #260 10W Power Amp.
- 2024-10-01 - Relocated the relay driver transistors off of the filter modules (#250 and # 270) and onto the Front Panel module #110 .
- 2024-10-01 - Added this Change Log section.